El. paštu
Produktai
2V025 solenoidinio vožtuvo kolektorius
  • 2V025 solenoidinio vožtuvo kolektorius2V025 solenoidinio vožtuvo kolektorius
  • 2V025 solenoidinio vožtuvo kolektorius2V025 solenoidinio vožtuvo kolektorius

2V025 solenoidinio vožtuvo kolektorius

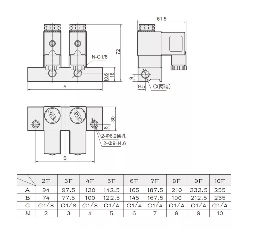
2V025 dviejų padėčių, dviejų krypčių tiesioginio veikimo normaliai uždarytas solenoidinis vožtuvas gali būti prijungtas, kad sudarytų vožtuvo pagrindą pagal taikymo reikalavimus, su lanksčiu išsiplėtimu nuo 2 iki 12 padėčių. Šis kelių stočių 2V025 solenoidinio vožtuvo kolektorius yra kompaktiško ir lengvo dizaino, tačiau jo negalima išardyti individualiam naudojimui. Vožtuvo korpusas pagamintas iš aukštos kokybės aliuminio lydinio ir panaudota NBR sandarinimo medžiaga.

Priklausomai nuo įsiurbimo ir išmetimo krypties, 2V025 solenoidinio vožtuvo kolektorius gali būti suskirstytas į teigiamo slėgio tipus su vienu įvadu ir keliomis išleidimo angomis ir į neigiamo slėgio tipus su keliomis įleidimo angomis ir vienu išėjimu. Vakuuminiuose siurbliuose gali būti taikomas neigiamas slėgis. Kadangi teigiamas ir neigiamas slėgis veikia priešingomis kryptimis, prieš pateikdami užsakymą pasikonsultuokite su OLK pardavimo komanda

2V025 Solenoidinio vožtuvo kolektorius Bendrieji parametrų duomenys:

Veiksmas

tiesioginė vaidyba

pozicijų skaičius

2 padėčių 2 krypčių

Pradinė būsena

NE, NC

tepimas

nereikalingas

Darbinio slėgio diapazonas MPa (psi)

0–0,8 MPa (0–114 psi)

Garantuotas atsparumas slėgiui

1,5 MPa (215 psi)

Standartinė įtampa

AC220V, AC110V, AC24V, DC24V, DC12V

Naudokite įtampos diapazoną

kintamoji srovė: ± 15 % DC: ± 10 %

energijos suvartojimas

AC: 6VADC: 6W

apsaugos lygis

IP65 (DIN40050)

atsparumo karščiui laipsnis

B klasė

Ryšio tipas

DIN lizdo tipas, lizdo tipas

Sužadinimo laikas

0,05 sekundės ar mažiau

Vožtuvo korpusas

Aliuminio lydinys

DUK:

Kuo skiriasi 2V025-06 ir 2V025-08?

Skirtumas tarp 2V025-06 ir 2V025-08 yra prievado skersmuo. 06 = G1/8 ir 08 = G1/4


Ar 2V025 galima sujungti ir sudaryti kolektoriaus vožtuvą?

Iki 10 vnt 2V025 solenoidinis vožtuvas gali sudaryti kolektoriaus vožtuvą.


Kokiems scenarijams tinka 2 krypčių vožtuvas 2V025?

Dviejų krypčių dvikryptis 2V025 vožtuvas tinka pūtimo darbo scenarijams, tačiau jis netinka pneumatiniams cilindrams, nes nėra išmetimo angos.


Ar 2V025 solenoidinis vožtuvas gali būti naudojamas neigiamo slėgio aplinkoje?

Žinoma, 2V025 solenoidinis vožtuvas su keliomis oro įleidimo angomis ir viena išleidimo anga yra tinkamas naudoti su vakuuminiu siurbliu.


Ar 2V025 skysčio valdymo vožtuvas 2 krypčiai paprastai atidarytas?

TAIP, 2V025-06-NE: Įėjimas: G1/8, Išėjimas: M5

2V025-08-NO: Įvadas: G1/4 , Išėjimas: M5

Dviejų krypčių 2V025 solenoidinio vožtuvo kolektorius  atitinkantys jungčių priedai


Hot Tags: 2V025 solenoidinio vožtuvo kolektorius, Kinija, gamintojas, tiekėjas, gamykla
Siųsti užklausą
Kontaktinė informacija
Sveiki atvykę į mūsų svetainę! Jei turite klausimų apie mūsų gaminius ar kainoraštį, palikite mums savo el. pašto adresą ir mes susisieksime per 24 valandas.
paštas
cici@olkptc.com
Mobilusis
+86-13736765213
Adresas
Zhengtai Road, Xinguang pramonės zona, Liushi, Yueqing, Wenzhou, Zhejiang, Kinija.
X
Naudojame slapukus siekdami pasiūlyti geresnę naršymo patirtį, analizuoti svetainės srautą ir suasmeninti turinį. Naudodamiesi šia svetaine sutinkate su mūsų slapukų naudojimu. Privatumo politika
Atmesti Priimti