El. paštu
Produktai
TAC pneumatinis perjungimo vožtuvas
  • TAC pneumatinis perjungimo vožtuvasTAC pneumatinis perjungimo vožtuvas

TAC pneumatinis perjungimo vožtuvas

Kaip profesionalus gamyba, OLK norėtų pateikti jums TAC pneumatinį perjungimo vožtuvą. O OLK jums pasiūlys geriausią paslaugą po pardavimo ir laiku pristatymo.

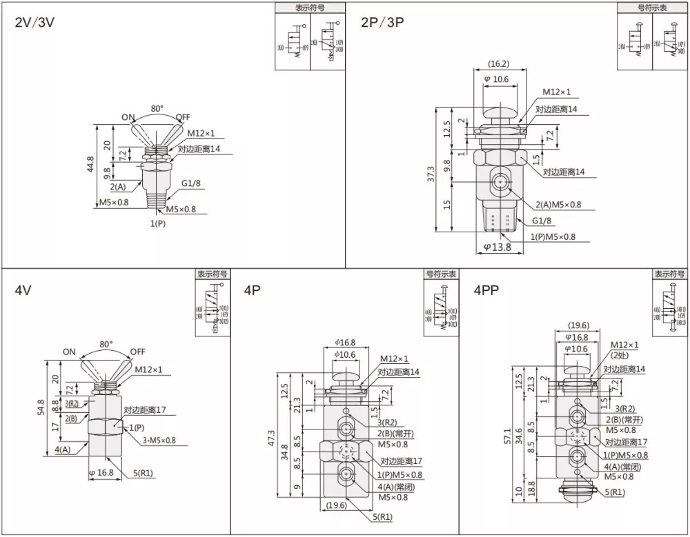
TAC pneumatinis perjungimo vožtuvas (dar žinomas kaip jungiklio vožtuvas) yra tikslaus perjungimo komponentas, specialiai sukurtas pneumatinėms sistemoms ir skysčio valdymui. Turėdamas unikalią „Toggle“ tipo valdymo struktūrą, jis pasiekia greitą skysčių kelių perjungimą ir tikslų valdymą.

„TAC“ serijos perjungimo vožtuvas turi 2 padėtį 2 kelius, 2 padėties 3 kelius ir 2 padėtį 5 kelią galima pasirinkti. Įvairių svirties tipų ir dviejų tipų sriegis: M5, G1/8.

Taikymo scenarijai

Pramonės automatizavimo įranga, mechaninis perdirbimas, statybinių medžiagų perdirbimas, energija ir kasyba, maisto ir gėrimų pramonė, medicininė įranga ir kt.

Produkto savybės

Jis yra nedidelio dydžio, reikalinga mažai įrengimo vietos ir yra intuityvus rankiniu būdu valdyti, todėl jis tinka scenarijams, kuriems reikia dažnai perjungti.

Tac perjungti vožtuvo simbolį ir kontūrą

Kreipiantis kodas

Tac

2

__

2

P

 

 

 

 

 

TAC serijos perjungimo vožtuvas

 

 

2: 2Pozicija 2 WAY (M5)

P: „Push-Pull“ mygtuko tipas

 

 

 

3: 2 3 padėtis (M5)

V: Rankinio svirties tipas

 

 

 

4: 2 Powition 5 Way (M5)

PP: Dvigubo mygtuko mygtukas

 

 

 

31: 2 3 padėtis (G1/8)

 

 

 

 

41: 2 Powition 5 Way (G1/8)

 

 

Modelis

Uosto dydis

 

Numeris
pozicijos

Efektyvus  
Skerspjūvio plotas

Slėgio diapazonas

Darbinis skystis

Aplinkos
Temperatūra

 

TAC-2V

Inlet = outlet = m5   

2 2 pozicija

1,9 mm²

0,05 ~ 0,9PPa

Oras

0 ~ 60

TAC-2P

Inlet = outlet = m5   

2 2 pozicija

1,9 mm²

TAC-3V

Inlet = outlet = m5   

2 2 pozicija

1,9 mm²

TAC-3P

Inlet = outlet = m5   

2 2 pozicija

1,9 mm²

TAC-4V

Inlet = outlet = m5   

2 pozicija 5 kelias

1,9 mm²

TAC-4P

Inlet = outlet = m5   

2 pozicija 5 kelias

1,9 mm²

4pp

G1/8

 

2 pozicija 5 kelias

4,5 mm²

TAC2-31V

Inlet = outlet = išmetimas = g1/8   

2 2 pozicija

4,5 mm²

TAC2-31P

Inlet = outlet = išmetimas = g1/8   

2 2 pozicija

4,5 mm²

TAC2-41V

Inlet = lizdas = g1/8 išmetimas = m5

2 pozicija 5 kelias

4,5 mm²

TAC2-41P

Inlet = lizdas = g1/8 išmetimas = m5

2 pozicija 5 kelias

4,5 mm²

TAC2-41PP

Inlet = lizdas = g1/8 išmetimas = m5

2 pozicija 5 kelias

4,5 mm²

DUK:

Kuo skiriasi perjungimo vožtuvas ir mechaninis vožtuvas?

Tai gali būti atskirti perjungimo vožtuvą ir mechaninį vožtuvą pagal valdymo tipą: Perjungimo vožtuvas yra svirties laikymo tipas, mechaninis vožtuvas yra mygtuko mygtuko mygtuko arba ritinėlio tipas arba ritininis tipas

 

Kuo skiriasi perjungimo vožtuvas ir kitų vožtuvų?

Tikslus valdymas: Perjungti vožtuvai pasiekia smulkaus srauto reguliavimą per kūgio vožtuvo šerdį, kuris tinka tiksliam valdymui mažo skersmens vamzdynuose, o rutuliniai vožtuvai yra tinkamesni greitam atidarymo ir uždarymo operacijoms.

Hot Tags: TAC pneumatinis perjungimo vožtuvas, Kinija, gamintojas, tiekėjas, gamykla
Siųsti užklausą
Kontaktinė informacija
Sveiki atvykę į mūsų svetainę! Jei turite klausimų apie mūsų gaminius ar kainoraštį, palikite mums savo el. pašto adresą ir mes susisieksime per 24 valandas.
paštas
cici@olkptc.com
Mobilusis
+86-13736765213
Adresas
Zhengtai Road, Xinguang pramonės zona, Liushi, Yueqing, Wenzhou, Zhejiang, Kinija.
X
Naudojame slapukus siekdami pasiūlyti geresnę naršymo patirtį, analizuoti svetainės srautą ir suasmeninti turinį. Naudodamiesi šia svetaine sutinkate su mūsų slapukų naudojimu. Privatumo politika
Atmesti Priimti